#投稿 来自 @daedae2018
go-graft 是一个命令行工具,可在 Linux 环境下对任意命令进行一键代理,而无需安装 v2ray 等其他工具。因此,你可以在服务器上很方便地使用它。

你只需要在想代理的命令之前添加 gg 即可,例如: gg curl ip.sb

支持 VMess/VLESS/SS/SSR/Trojan(-go) 协议,以及 Base64(v2rayN) 类型的订阅地址。

Github 链接 https://github.com/mzz2017/gg
Detox:使用 JavaScript 编写移动 APP 的自动化测试用例,安装方式:npm install -g detox-cli
一本小册子:A Programmer's Guide to English,专为程序员编写的英语学习 #指南

本教程目标人群是想要花一些时间真正掌握英语的人,尤其适合英语渣
GitHub上的开源技术教程:《Linux 内核模块编程指南
主要讲解 #Linux 内核模块简介、模块交互、系统调用、阻塞进程和线程、调度任务、中断处理程序等内容
lazydocker:管理Docker和docker-compose方方面面的命令行界面
Image Optimizer:用来压缩普通图片和矢量图的免费开源 #工具
Java 动态线程池系统:Hippo4J,附带监控报警功能(不依赖中间件),遵循了阿里的编码规范。

可按照租户、项目、线程池的维度划分。支持配置系统权限,让不同的开发、管理人员负责自己系统的线程池操作
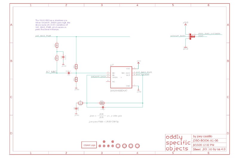
GitHub 硬核项目:The Open Book,类似于开源版的 Kindle,能帮你打造一个可灵活定制的电子书阅读设备。

搭配 4.2" 英寸电子显示器,拥有方向键、选择、翻页等交互按钮,具备 SD 卡检测功能,充电状态 LED 灯显示,带立体音频输出和原始麦克风输入的音频组合插孔等组件
国外一款插图绘制 #工具designstripe,让不懂设计的人也能自制插图。

完成后的插图,可导出成 PNG、JPG、SVG(付费用户)等格式,并应用到个人项目、博客、图书、周边等场景上
Back to Top
粤ICP备2021131327号